Lug-Style, Endeinbau Absperrklappe Metall Typ 038 Mit Handhebel Flansch Norm metrisch - PN10 Teller: Sphäroguss/Rilsan® beschichtet

Endeinbauklappe, Lug Style
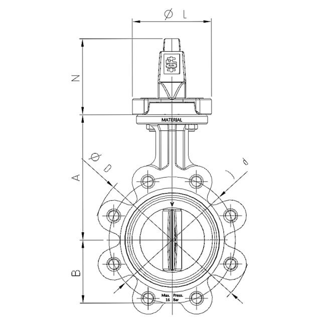
Gehäuse GGG40 (A395 / A395 M-99, EN-JIS 1020 EN1563) Rilsan® beschichtet
Einbaulänge: EN 558 Reihe 20
Schnittstelle gemäss DIN EN ISO 5211
Druckbereich: 16 bar (DN 50-300)
Achse DN50 - DN300: Einteilige Achse mit Vierkantprofil, Edelstahl DIN Norm 1.4021
Flanschanschluss: DN50 - DN300: PN6, PN10, ANSI 125/150 Lbs., BS 10-D/E
Stellantriebe pneumatisch oder elektrisch auf Anfrage
Andere Manschetten-Materialien auf Anfrage
Handhebel DN125, DN150 und DN200 mit 10 Rasterstellungen
Gefunden: 2
2 von 2
DN