COOL-FIT 4.0 Festpunkt Set für erhöhte Kräfte

Das Set besteht aus Festpunkt, Rohrstück und Isolations Set
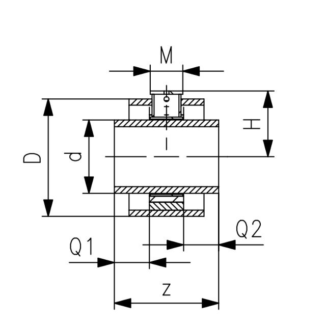
Festpunkt zur Installation zwischen zwei Elektroschweissfittings, übertragen die vom Rohr ausgehenden Kräfte auf den Festpunkt
Rohrstück PE100 SDR11, metrisch
Festpunkt mit Anschweissplatte aus S235JR (1.0038). Mit Korrosionsschutzbeschichtung
Isolation aus EPDM Weichschaum. Für Aussenanwendungen zusätzlichen Schutz verwenden
Bitte beachten Sie die maximal zulässigen Kräfte für diese Ausführung in der untenstehenden Tabelle.
Eine Kräfteberechnung der Festpunktschelle und des Befestigungspunktes ist erforderlich
Für die Verklebung wird Klebstoff 738010060 empfohlen
d355 bis d450 auf Anfrage mit Lieferzeit 3 Monaten
Schraubenschlüsselgrösse 24 mm