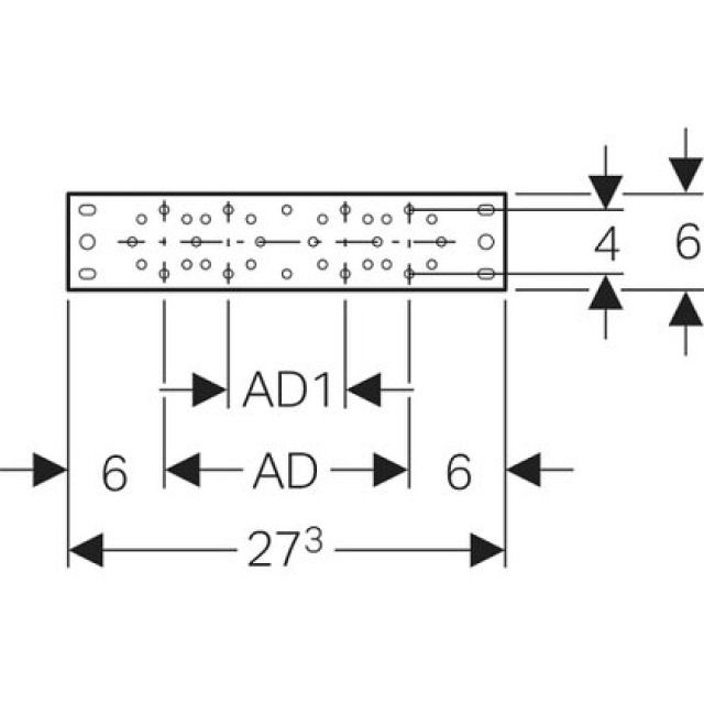
PLAQUE DE MONTAGE DOUBLE
N° 601.737.00.1 7.3/15.3
MEPLA DROITE

Veuillez vous connecter pour voir le prix.
N° d'article132424N° d'article du fabricant601.737.00.1N° NPK283.234
1 Pce = 0.6 kg

Description de la

Champ d‘application
• Pour fixer des raccords Geberit Mepla
• Pour fixer des raccords Geberit Mapress
• Pour fixer des raccords Geberit PushFit
Particularités
• Zingué

Etendue de la livraison
• Matériel de fixation

Spécifications

Fabricant
Geberit
Système
Mepla
AD
15.3 cm

Accessoires