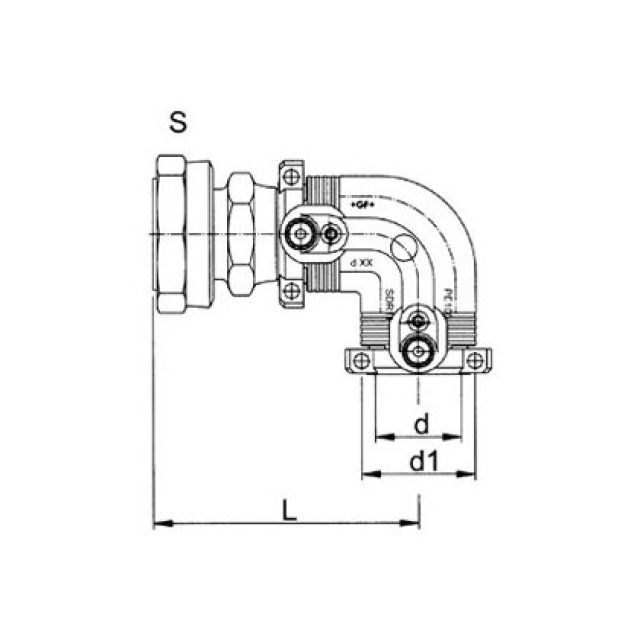
+GF+ ELGEF Plus, Coude de transition 90°, PE/MES, avec écrou libre

20 10 00, PE 100, SDR 11
Fabricant GF Système ELGEF