Geberit Mapress Coude d'ajustage acier inoxydable 30°

Matériau Acier CrNiMo 1.4401 (EN 10088)
Fabricant Geberit Système Mapress
7 de 7
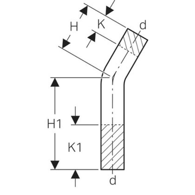
H
H1
K
K1