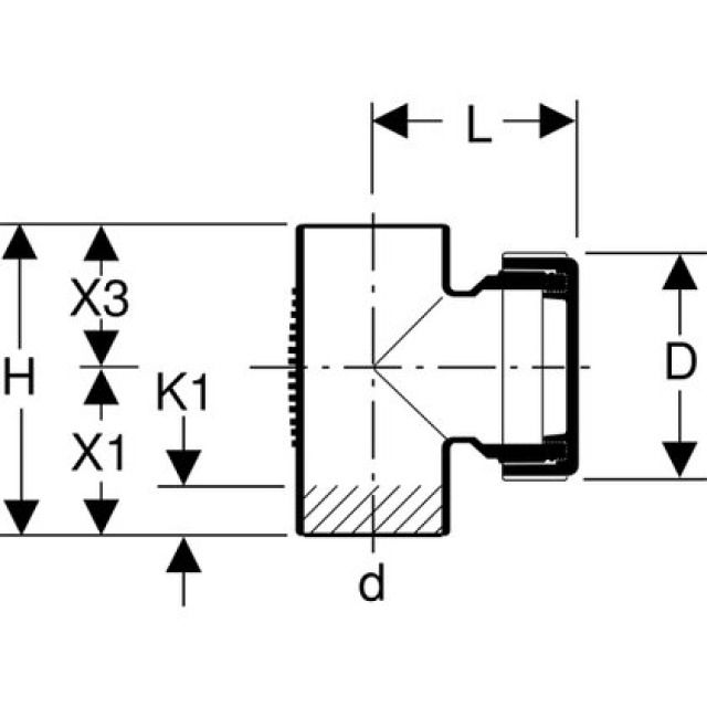
Silent-db20 Pièce de nettoyage 90° avec ouverture de révision ronde

Particularités
• Avec joint en EPDM
Etendue de la livraison
• Cape de fermeture en PP
Fabricant Geberit Système Silent