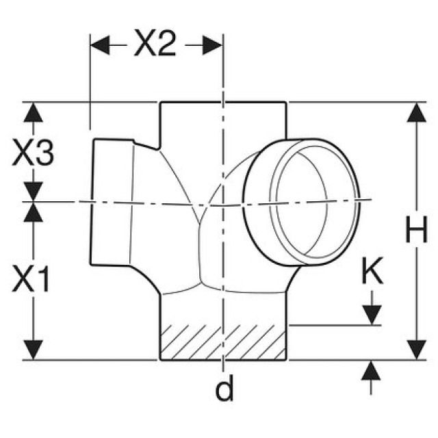
Silent-db20 Embranchement coudé 88.5° / 135°

Champ d‘application
• Pour montage vertical
Particularités
• Swept-Entry
Fabricant Geberit Système Silent
Trouvé: 1
1 de 1