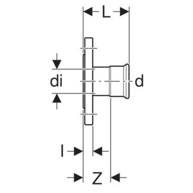
Bride Mapress acier carbone, PN 6, avec manchon à sertir

Fabricant Geberit Système Mapress