Geberit Mapress Super Size Collet acier inoxydable avec extrémité à emboîter, pour bride folle PN 10/16

Particularités
• Sans silicone
• Pour bride folle selon EN 1092-1, type de bride 02
Caractéristiques techniques
Matériau Acier CrNiMo 1.4401 (EN 10088)
Fabricant Geberit Système Mapress
3 de 3
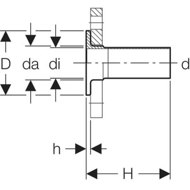
DN
D
Ø ext.
diØ
h