Profitec PressSteel XL pièce en T

Raccord à sertir avec guidage de la mâchoire de sertissage pour contour M
Indicateur de sertissage avec code couleur rouge pour les applications d'eau de chauffage
Matériau : acier non allié 1.0308 (DIN EN 10305-2), galvanisé
Matériau de la bague d'étanchéité : EPDM, noir
Non comprimé non étanche
Pression de service maximale 16 bar
Température d'utilisation -18 à 110°C
Pour les applications de chauffage et d'eau de refroidissement avec ou sans antigel
Fabricant Profitec Système PressSteel/Mapress
3 de 3
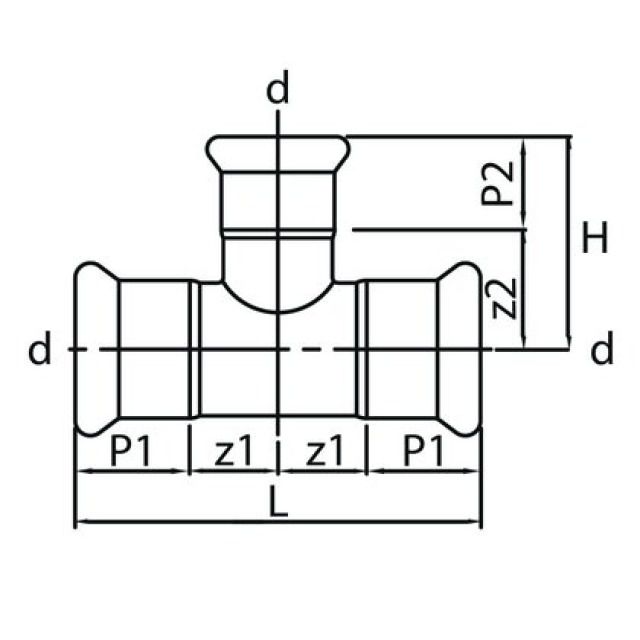
d
H
L
z1
z2
P1
P2