GEBERIT braga 88.5° PE
363.162 d 56 - 50

La preghiamo di accedere per visualizzare il prezzo.
Articolo n138138Numero articolo del produttore363.162.16.1Numero NPK314.235
1 PZ = 0.107 kg

Capitolati

Produttore
Geberit
Sistema
PE
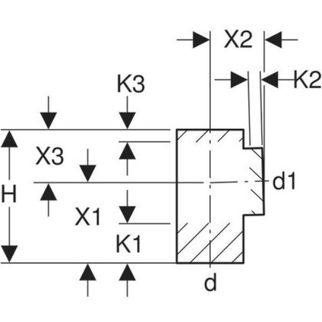
56 mm
H
17,5 cm
X1
10,5 cm
X2
7 cm
X3
7 cm
d1Ø
50 mm
K1
7 cm
K2
3 cm
K3
3,5 cm