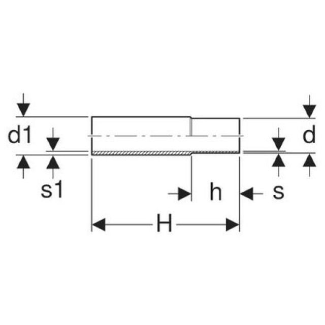
MPF-H codolo da innestare
e saldare 12421
d 108 - 114.3

La preghiamo di accedere per visualizzare il prezzo.
Articolo n153897Numero articolo del produttore12421Numero NPK255.823
1 PZ = 0.8 kg

Capitolati

Produttore
Geberit
Sistema
Mapress
108.0 mm
H
12 cm
s
2 mm
diØ
114.3 mm
h
9.0 cm
s1
5.2 mm