Articolo n266572Numero articolo del produttore601.273.00.5Peso0.267 kg
Set fonoassorbente per gomito
di allacciamento doppio 90°
604.805
La preghiamo di accedere per visualizzare il prezzo.
Disp. per il ritiro a Nänikon: 0 PZ
Articolo n294749Numero articolo del produttore601.805.00.1
1 PZ = 0.155 kg
Descrizione del
Uso previsto
• Per gomiti di allacciamento doppi Geberit con filetto femmina Rp 1/2“
Proprietà
• Nero
Dati tecnici
Materiale EPDM
Materiale in dotazione
• Cappuccio fonoisolante
• Piastrina insonorizzante
• Per gomiti di allacciamento doppi Geberit con filetto femmina Rp 1/2“
Proprietà
• Nero
Dati tecnici
Materiale EPDM
Materiale in dotazione
• Cappuccio fonoisolante
• Piastrina insonorizzante
Capitolati
- Produttore
- Geberit
- Sistema
- Pushfit
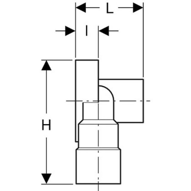
- H
- 10.6 cm
- L
- 5.3 cm
- l
- 2 cm
- a
- 5 cm
- B
- 9.2 cm
- h
- 7.1 cm