Geberit Mapress Therm flangia PN 6, con manicotto di compressione

Applicazioni previste:
- Per acqua di raffreddamento e di riscaldamento senza antigelo
- Per acqua di raffreddamento e di riscaldamento con antigelo
- Per acqua di teleriscaldamento ≤ 120 °C
- Per aria compressa (classe di purezza dell'olio 0-3)
- Per pressione negativa
- Per gas inerti (ad es. azoto) - Per applicazioni domestiche e industriali Proprietà
Per applicazioni domestiche e industriali

Proprietà:
- Non consentito per impianti di acqua potabile
- Indicatore di pressione
- Perdite senza pressione
- Anello di tenuta in CIIR nero

Materiale: Acciaio inox
Produttore Geberit Sistema Mapress
6 da 6
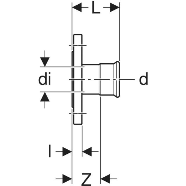
D
L
Z
diØ
k
m
l