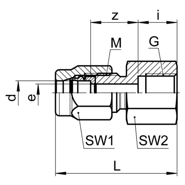
Attacco a vite Serto, SO 41221, con manicotto di collegamento

Materiale: ottone CW 617N (CuZn40Pb2), superficie decapata.
Intervallo di temperatura: da -196°C a +180°C
Approvazioni: SVGW, DVGW
Produttore SERTO