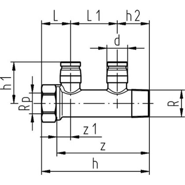
+GF+ iFIT, Modulo-distributore

con interasse 55 millimetri
Produttore GF Sistema iFit