Uponor Blocco di collegamento radiatore

- in polistirolo con cappuccio di protezione rimovibile
- cassetta di isolamento classe d'incendio E secondo DIN EN 13501-1
- larghezza scatola di isolamento 100mm
- dimensione del punto 50mm
Produttore Uponor
2 da 2
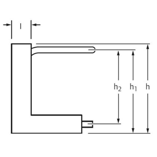
Tipo
h
h1
h2