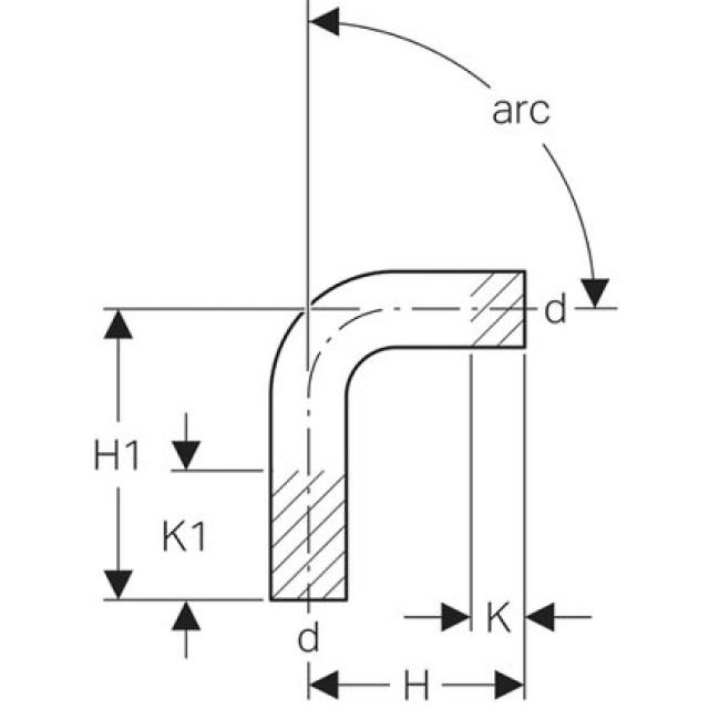
Geberit Mapress Tubo ricurvo acciaio inox 90°

Acciaio CrNiMo 1.4401 (EN 10088)
Produttore Geberit Sistema Mapress