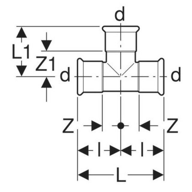
Pezzo a T Mapress acciaio-C uguale

Produttore Geberit Sistema Mapress
Trovato: 8
8 da 8
DN
L
Z
Z1
l
L1