Geberit Mapress Scavalcatubi acciaio inox

Uso previsto
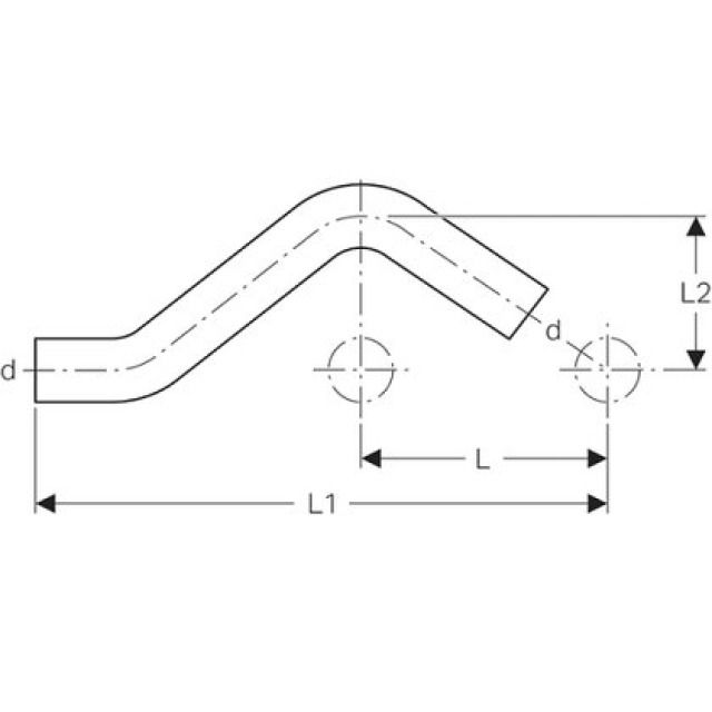
• Per incrociare condotte parallele con distanza L

Dati tecnici
Materiale Acciaio CrNiMo 1.4401 (EN 10088)
Produttore Geberit Sistema Mapress
4 da 4
L
L1
L2