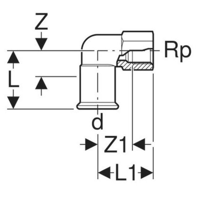
Gomito misto 90° Mapress acciaio-C con filetto femmina

Produttore Geberit Sistema Mapress