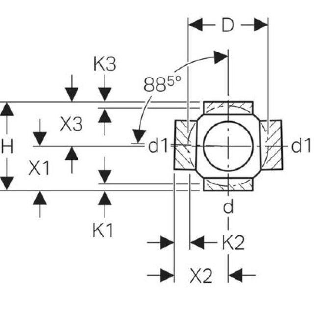
Geberit PE-HD, Braga a sfera 88.5° tripla, allacciamenti a 90° disassati

Produttore Geberit Sistema PE