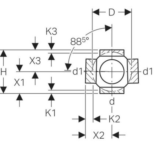
Geberut PE-HD, Braga a sfera 88.5° quadrupla, allacciamenti a 90° disassati

Produttore Geberit Sistema PE