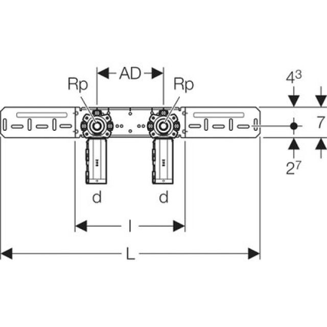
Geberit PushFit Scatola di allacciamento 90° premontata

Uso previsto
• Per tubi Geberit PushFit PB con guaina di protezione tubi
• Per acqua potabile

Proprietà
• Indicatore ottico verde
• Fonoassorbente
• Non estraibile dalla testa della scatola
• Curva d‘allacciamento in bronzo rosso
• Giunto rapido in ottone
• O-ring in EPDM
• Connettore a spina con cappuccio di protezione trasparente
• Tappo di protezione per prova di pressione unica con acqua
   fredda fino a un massimo di 15 bar / 1500 kPa
Materiale in dotazione
• 2 giunti rapidi
• 2 colli della scatola
• 2 tappi di protezione
• Materiale di fissaggio
Produttore Geberit Sistema Pushfit
2 da 2