• Spaeter AG
  • Spaeter-Jobs
  • Acciai & Metalli
  • Acciaio d'armatura
  • Prefabbricazione
SPAETER Impiantistica
Accesso
  • Alimentazione
    • Idranti e saracinesche
      • vonRoll Rubinetteria
      • vonRoll Idranti e accessori
      • Idranti Hinni
      • Hawle Rubinetteria
      • Idranti Hawle
      • Tecnica distribuzione gas Hawle
      • Hawle Impiantistica
      • Wild Rubinetteria
      • Guarnizione di posa e chiusino in ghisa
    • Tubi HDPE
      • Tubi in pressione HDPE per acqua
      • Wavin TS Tubi PE acqua
      • Tubi in pressione HDPE per gas
      • Wavin Tubi PE gas
      • Tubi in pressione HDPE Gerofit
      • Passaggi murali RDS
    • Pezzi HDPE
      • Raccordi in pressione per acqua
      • Raccordi ELGEF Plus
      • Guarnizioni
      • Frialen Raccordi
    • Tubi MDPE rotoli
      • Tubi in rotolo PE per acqua
      • Tubi in rotolo PE per gas
    • Raccordi per tubi
      • Düker Protezioni assiali
      • Collari Suba
      • Hymax Grip / Repa-Flex / Straub
      • Plasson
      • Plasson raccordo a spina
      • GF iJoint Morsetti di collegamento
      • Tecnica di costruzione
      • Isiflo
      • multi/joint
      • GF Sistema di tenuta
      • Acquedotto accessori
    • Sistema per acqua in pressione
      • Passaggi murali
      • Anelli di tenuta Aladin
    • Ghisa per acqua
      • vonRoll Tubi ghisa autostagno
      • vonRoll Pezzi ghisa autostagno
      • vonRoll pezzi ghisa a vite
      • vonROLL Raccordi flangiati
      • Duktus TMH
      • TRM Swiss
  • Sanitario
    • Tubi d'acciaio / Raccordi / Isolazioni
      • Tubi per acqua e gas saldati
      • Raccordi / Nippli doppi zincati
      • Giunti
      • Isolazione tubi e accessori
    • Sistemi di alimentazione flessibili
      • JRG Sanipex
      • Uponor S-Press
      • +GF+ iFit
      • +GF+ Instaflex
      • Geberit FlowFit/PushFit
      • Nussbaum Optiflex
      • Tubi corrugati inossidabile
    • Sistemi di alimentazione rigidi
      • Profitec Sistema a pressare sanitario
      • Gebrerit Mapress sanitario
      • Nussbaum Optipress / Aquaplus
      • Raccordi filettati
      • JRG Sanipex MT
      • Geberit Mepla
      • Tubi in rame e accessori
      • Tubi in plastica e accessori
    • Sistemi a parete modulari
      • Geberit GIS
      • Duofix / GIS transversale
      • Duofix
      • Elementi per cucina Easy-Pack
    • Saracinesche e accessori
      • Rubinetteria
      • Valvole
      • Tubi flessibili
      • Raccordi rapidi
      • Manometro Jakob Regel
      • Geberit Accessori per sistema di valvole
      • Risciacquo igienico Geberit Accessori
    • Boiler / Cavo riscaldante
      • Boiler
      • Cavi riscaldanti e accessori
    • Addolcitore d'acqua / Igiene dell'acqua
      • Addolcitore d'acqua / Accessori
      • Igiene dell'acqua
    • Fissaggi
      • Braccialetti per tubi di scarico
      • Braccialetti Profitec
      • Braccialetti promatizzati
      • Braccialetti inox
      • Accessori ZN / Inox
    • Sistemi di adduzione
      • Scarico a pavimento
      • Bacinelle di raccolta
      • Ghisa scarico
      • Geberit PE
      • Geberit Silent
      • Staffe
    • Materiale di consumo
      • Diversi materiali di consumo
    • Pompe/Stazioni di sollevamento/Pressione
      • Grundfos
    • Attrezzatura
      • Sicurezza sul lavoro / DPI
      • Strumenti per sistemi
      • Strumenti per sistemi
      • Macchine portatili e accessori
    • Bagno-Servizio
      • Raccordi/valvole d'angolo/accessori rac.
      • Programmi accessori
      • Isolamento acustico/ materiale montaggio
      • Sifone / guarnitura d'entrata
      • Specchi / armadi a specchio
      • WC / WC doccetta / Cassetta
      • Prodotto consumabile
      • Lavabi / Lavatoio
  • HLK
    • Tubo bollitore e pezzi
      • Tubi del gas
      • Tubi bollitori
      • Raccordi
      • Raccordi da saldare e Flange
      • Guarnizioni piatte
      • MANICOTTI DA SALDARE
    • Sistemi da pressare
      • Mapress
      • Profitec
    • COOL-FIT Sistema di tubazioni
      • COOL-FIT 2.0
      • COOL-FIT 4.0
    • Isolazione / Fissaggi
      • Isolazione e accessori
      • Montaggio ed accessori
    • Sist. di riscaldamento locali e distr.
      • UPONOR tubo Thermo Ecoflex
      • UPONOR tecnica di connessione Wipex
      • UPONOR Accessori Ecoflex
      • BRUGG Tubo
      • BRUGG Accessori
    • Riscaldamento a pavimento
      • Distributore
      • Cassette per collettori
      • Regolazione della camera/confort
      • Raccordi
      • Tubo multistrato
      • Sistema Minitec
      • Binari e Graffette
      • Dispositivi per la posa
    • Installazione in caldaia
      • Valvole di chiusura
      • Sistemi di sicurezza
      • Raccordi di protezione
      • Valvole idrauliche
      • Tecnologia di stoccaggio
      • Regolamenti
      • Protezione dalla corrosione e demineral.
      • mobile riscaldamento elettrico
    • Pompe di circolazione
      • Grundfos
      • Wilo
      • Meibes
    • Riscaldamento-Valvole
      • Danfoss
      • TKM
      • Oventrop
      • IMI Heimeier
      • Fissaggi e mensole
      • Accessori
    • Protezione antincendio / sprinkler
      • Victaulic
      • Tubi in acciaio
      • Antigelo / Irrigatori
      • Espansione
    • Geotermia
      • Distributore a sonda geotermica
      • Antigelo
    • Costruzione/isolamento del pavimento
      • Isolazione pavimenti polystyrol
      • Isolazione pavimenti t/se
      • Isolazione pavimenti pur
      • Banda perimetrale
      • Isolazione in lana minerale
      • Foglio di PE / Tappetino di protezione in PE
    • Ventilazione
      • Tubi aerazione
      • Pezzi aerazione
      • Pezzi speciali per ventilazione Safe
      • Tubi flex
      • Maico Ventilatori
      • Canali di ventilazione
    • Attrezzatura
      • Strumenti per sistemi
      • Sicurezza sul lavoro / DPI
      • Strumenti per sistemi
      • Macchine portatili e accessori
  • Profitec
    • Sistema a pressare sanitario
      • Profitec Tubo PressInox 1.4404
      • Profitec Tubo PressInox 1.4521
      • Profitec PressInox tubi XL
      • Profitec Raccordi PressInox
      • Profitec PressInox tubi XL
    • Braccialetti
      • RS acciaio zincato
    • Sistema a pressare per riscaldamento
      • Tubo Profitec PressSteel VZ 15-54
      • Raccordi Profitec PressSteel VZ 15-54
      • Tubo Profitec PressSteel VZ 76.1-108
      • Raccordi Profitec PressSteel VZ 76.1-108
      • Tubi da pressare V2A
    • Riscaldamento a pavimento
      • Distributore
      • Scatola di distribuzione
      • Regolazione della camera/confort
      • Tubi per riscaldamento pavimenti Aluplast
    • Sanitario diversi
      • Saracinesche e accessori
      • Grondaie
      • Easy-Pack
      • Addolcitore d'acqua / Igiene dell'acqua
      • Materiale di consumo
      • Tappetini insonorizzanti
      • Frostschutz
  • Lattoneria
    • Semilavorati
      • Canali
      • Accessori canali
      • Ganci
      • Tubi di discesa
      • Accessori tubu di discesa
      • Tubi finali
      • Accessori per tubi finali
    • Tetto inclinato
      • Nastri forati / lamiere forate
      • Camini
      • Cappelli a lamelle
      • Cappelli di ventilazione
      • Articoli paraneve
      • Lamiere ondulate e accessori
      • Materiale tetto a falde diverse
    • Tetto piano
      • Scarico
      • Scarico per tetti, accessori
      • Troppo pieno
      • Supporti
      • Dilatazioni
      • Telai / griglie
      • Materiale tetto piano diversi
    • Rotoli e lamiere
      • Lamiere e nastri cu-ti-zk
      • Lamiere e nastri cu
      • Lamiere e rotoli zincate
      • Lamiere e rotoli CrNi-Stahl
      • Lamiere e rotoli Mattplus
      • Lamiere e nastri uginox
      • Lamiere e nastri pluvicolor
      • Lamiera in alluminio
      • Lamiere alluminio preverniciate
      • Piastre in alluminio
      • Gerstenkornbleche Aluminium
    • Diversi lattoneria
      • Fissaggi
      • Piombo laminato e materiale sintetico
      • Stagno e materiali da saldatura
      • Attrezzatura
    • Protezione anticaduta
      • Soluzioni di sicurezza per tetti piani
      • Soluzioni di sicurezza tetti inclinati
      • Punti di fiss. per coperture metalliche
    • Parafulmine
      • Filo
      • Componenti universali
      • Conduttori
      • Protezione dai fulmini
      • Messa a terra
      • Equipotenzialità
      • Utensili
      • Materiale antifulmine vario
    • Prodotti Prefa
      • Sistemi tetto Prefa
      • Sistemi di copertura per tetto con aggaf
      • Sistemi grondaia Prefa
      • Sistemi facciata Prefa
      • Solare Prefa
      • Rotoli e lastre Prefa
  • Chi siamo
  • Shop
  • Servizi per riscaldamento
  • Downloads
Spaeter AG
St. Alban-Anlage 62
4052 Basel
haustechnik@spaeter.ch
+41 61 317 41 11
  • Casa
  • Sanitario
  • Sistemi di adduzione
  • Geberit Silent
  • Geberit pezzi Silent

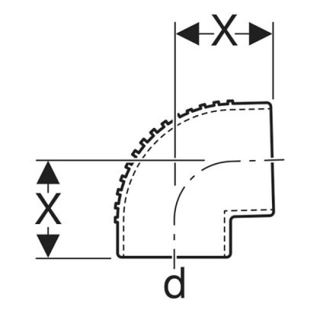
Silent-DB20 Curva 88.5°

Gomiti utilizzabili solo per la prima deviazione a valle dell'uscita sifone
Produttore Geberit Sistema Silent
Varianti
Trovato: 6
Voce n
Voce n
Produttore
dØ
mm
X
cm
138808305.880.14.1
56
6,5
dØ 56 mm X 6,5 cm
Articolo n138808Numero articolo del produttore305.880.14.1
Lordo CHF
138809306.880.14.1
63
7
dØ 63 mm X 7 cm
Articolo n138809Numero articolo del produttore306.880.14.1
Lordo CHF
138810307.880.14.1
75
7,5
dØ 75 mm X 7,5 cm
Articolo n138810Numero articolo del produttore307.880.14.1
Lordo CHF
138811308.880.14.1
90
8
dØ 90 mm X 8 cm
Articolo n138811Numero articolo del produttore308.880.14.1
Lordo CHF
138812310.880.14.1
110
9,5
dØ 110 mm X 9,5 cm
Articolo n138812Numero articolo del produttore310.880.14.1
Lordo CHF
138813312.880.14.1
135
11,5
dØ 135 mm X 11,5 cm
Articolo n138813Numero articolo del produttore312.880.14.1
Lordo CHF
6 da 6
dØ
X
SPAETER Impiantistica
Spaeter AG
Grossrietstrasse 10
8606 Nänikon
haustechnik@spaeter.ch
+41 44 905 56 56
Spaeter AG
Bodenfeldstrasse 9
5643 Sins
haustechnik@spaeter.ch
+41 41 769 12 12
Spaeter AG
Raschärenstrasse 34
7001 Chur
haustechnik@spaeter.ch
+41 81 286 35 35
  • Note legali
  • Protezione dei dati
  • Condizioni generali
  • Acquisti centralizzati
  • Deutsch | Français | Italiano
© 2026 SPAETER Impiantistica
powered by polynorm