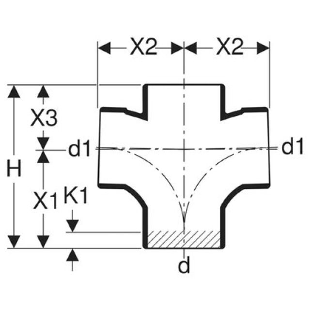
Silent-DB20 Braga con curva 88.5° / 180° doppia

Uso previsto
• Per l‘installazione verticale
Proprietà
• Con raggio interno
Produttore Geberit Sistema Silent
Trovato: 1
1 da 1