Silent -DB20 Braga curvata per vani tecnici 88.5° sinistra

Proprietà
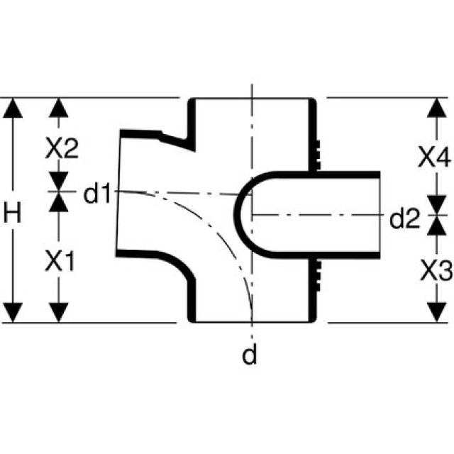
• Con raggio interno
• Raccordo saldato
Produttore Geberit Sistema Silent
2 da 2
d1
X3
X4