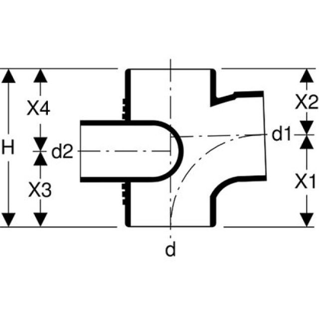
Silent-DB20 Braga curvata per vani tecnici 88.5° destra

Proprietà
• Con raggio interno
• Raccordo saldato
Produttore Geberit Sistema Silent
2 da 2
d1
X3
X4