Silent-db20 Braga allacciamenti paralleli 45°

Proprietà
• Raccordo saldato
Produttore Geberit Sistema Silent
3 da 3
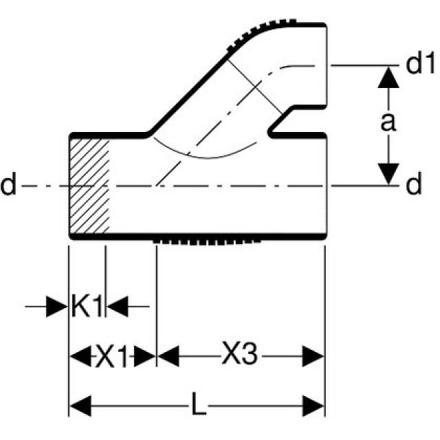
d1
L
X1
X3
a
K1