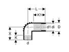
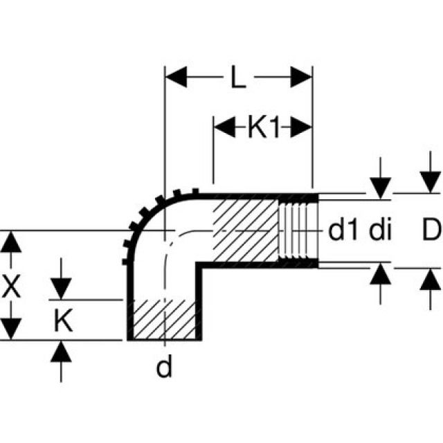
Silent-DB20 Gomito di allacciamento per sifone

Produttore Geberit Sistema Silent
Trovato: 1
1 da 1