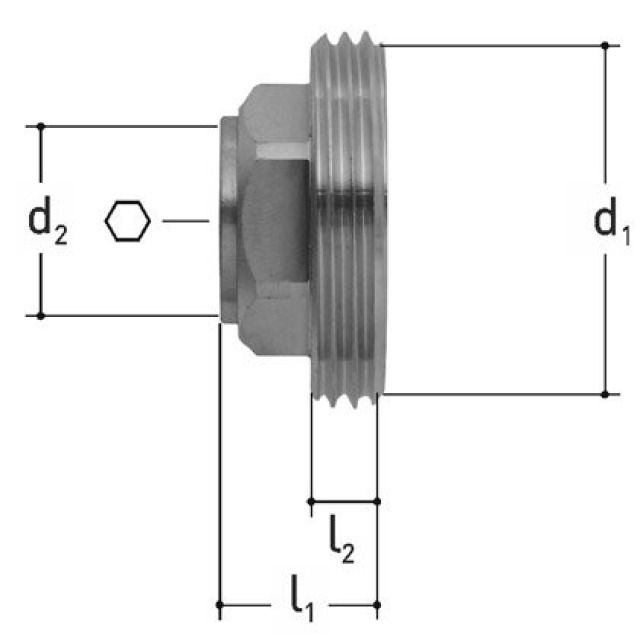
JRG, 5176, JRGUSIT NG Tappo

• Materiale: bronzo
• Attaccho: filettatura esterna
Produttore GF JRG