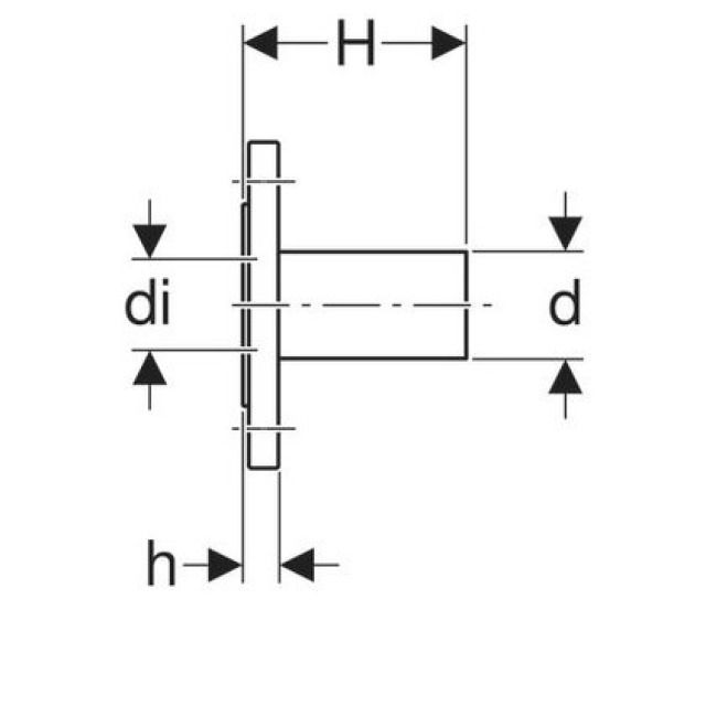
Flangia Mapress acciaio-C PN 6, con terminale maschio

Produttore Geberit Sistema Mapress