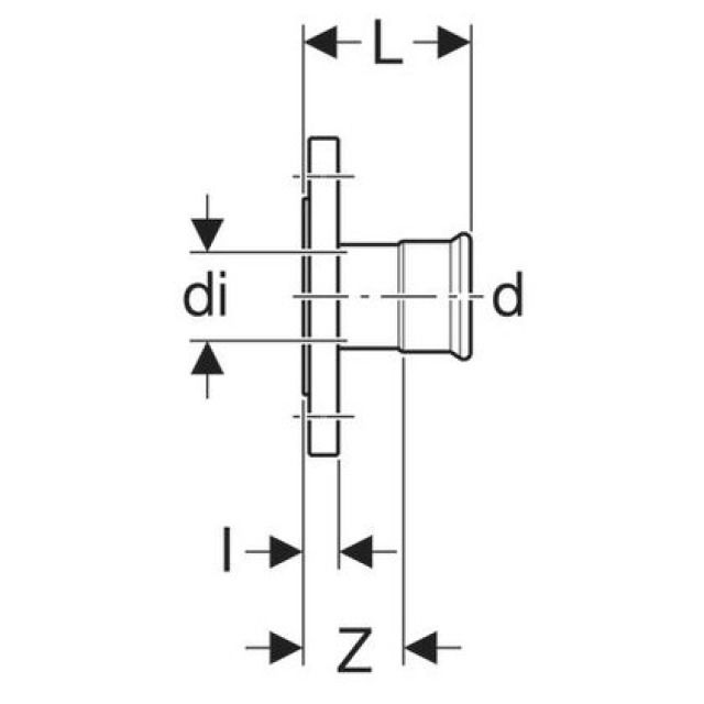
Flangia Mapress acciaio-C PN 10/16, con attacco a pressare

Produttore Geberit Sistema Mapress