Geberit Mapress-gas Flangia acciaio inox PN 10/16, con attacco a pressare

Proprietà
• Indicatore ottico di pressatura
• Perdita compromessa, se non pressato
• Contrassegnato in giallo
• Guarnizione O-ring in HNBR giallo
• Attacco a pressare con tappo di protezione giallo
• Forma B1 (guarnizione di tenuta rialzata con superficie di tenuta standard), EN 1092-1
Dati tecnici
Materiale Acciaio CrNiMo 1.4401 (EN 10088)
Produttore Geberit Sistema Mapress
3 da 3
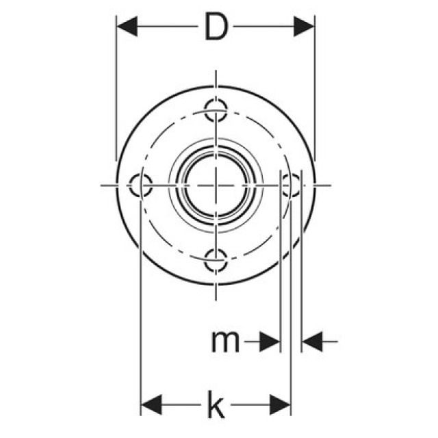
DN
D
L
l
d1Ø
k
Vite
Z