Geberit Valvola d'intercettazione ad incasso JRG LegioStop® con fissaggio

Uso previsto
• Per acqua potabile fredda e calda
• Per acqua di riscaldamento
• Per acqua di raffreddamento senza antigelo
• Per placche di montaggio Geberit Duofix e Geberit GIS
• Per costruzioni in muratura e costruzioni leggere in cartongesso
Proprietà
• Disco contro l‘umidità autocollante, rivestimento adatto alla piastrellatura
• Due punti di fissaggio per foro circolare ø 60 mm
• Elemento superiore sostituibile
• Guarnizioni per valvola e parte superiore in EPDM
Dati tecnici
Temperatura d'esercizio acqua 0–90 °C
Materiale Bronzo rosso (CuSn5Zn5Pb2-C)
Materiale in dotazione
• Rosone di azionamento
• Anello d‘identificazione del fluido (rosso, blu)
• Piastrina insonorizzante
• Disco di guarnizione
• Materiale di fissaggio
Produttore Geberit
2 da 2
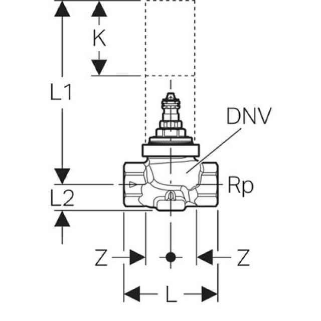
DN
L
Rp
Z