ALDA Porta Design EDIZIO

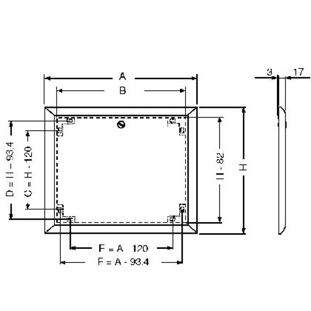
Copertura per l'apertura di controllo, composta da 1 telaio frontale imEdizio-Design e una porta a battente bianca in RAL 9016, adatta per montaggio su parete piana. Compatibile con tutte le cassette per distributori BKK della stessa larghezza nominale. Montaggio del telaio tramite foratura degli angoli direttamente sulla cassetta rispettivamente direttamente alla parete o tramite il copri-giunto opzionale. Telaio in profilo speciale EVZ 0,5 mm in Ediziodesign rivestito con polvere bianca RAL 9016, porta a battente 0.75mm EVZ, rivestita con polvere bianca RAL 9016. Con robusti chiavistelli di chiusura in metallo con fessura, da >900 mm di larghezza con 2 chiavistelli. La porta a battente è smontabile.
Produttore BKK
Trovato: 5
5 da 5
Tipo
Dim. est. B
Prodotto ALDA
Massa luce C
Larghezza nominale