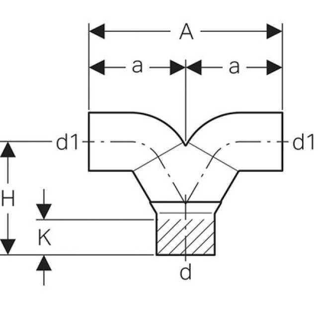
Silent-db20, Braga a Y 2 x 90°

Uso previsto
• Per l‘Per il montaggio verticale
Proprietà
• Raccordo saldato
Produttore Geberit Sistema Silent
2 da 2
d