PROFITEC PRESSINOX FLANGIA LIBERA, Fig. 28

Materiale: acciaio Cr-Ni-Mo 1.4404 / AISI 316L
O-ring EPDM (da -20°C a +110°C)Il materiale in acciaio inossidabile 1.4404 contiene almeno il 2,3% di molibdeno.
Grazie al minore contenuto di carbonio rispetto al materiale 1.4401, il materiale 1.4404 ha una maggiore resistenza alla corrosione.
Produttore Profitec Sistema Inoxpress/Mapress
Trovato: 2
2 da 2
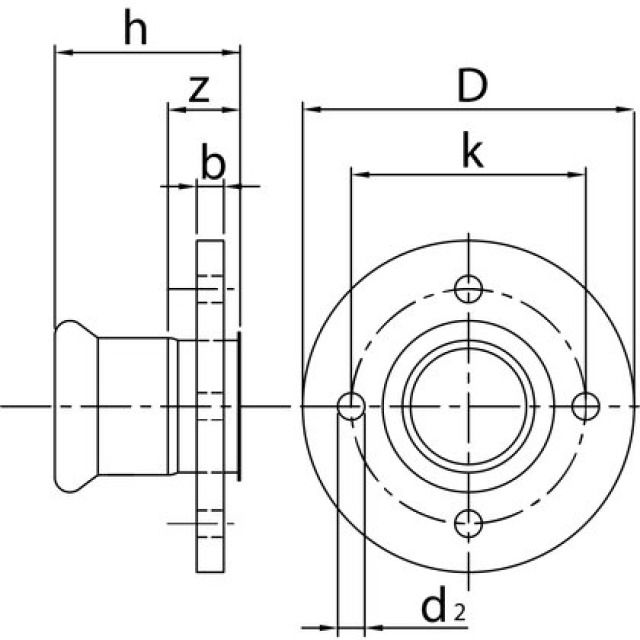
Dimensione
D
d2
z
b
h
k