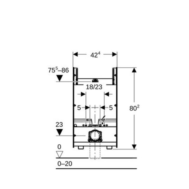
Geberit GIS WC-Element mit AP-Kasten

für Wand-WC
mit Aufputzspülkasten
aufgesetzt, 95 cm
Produttore Geberit Sistema GIS
Trovato: 1
1 da 1