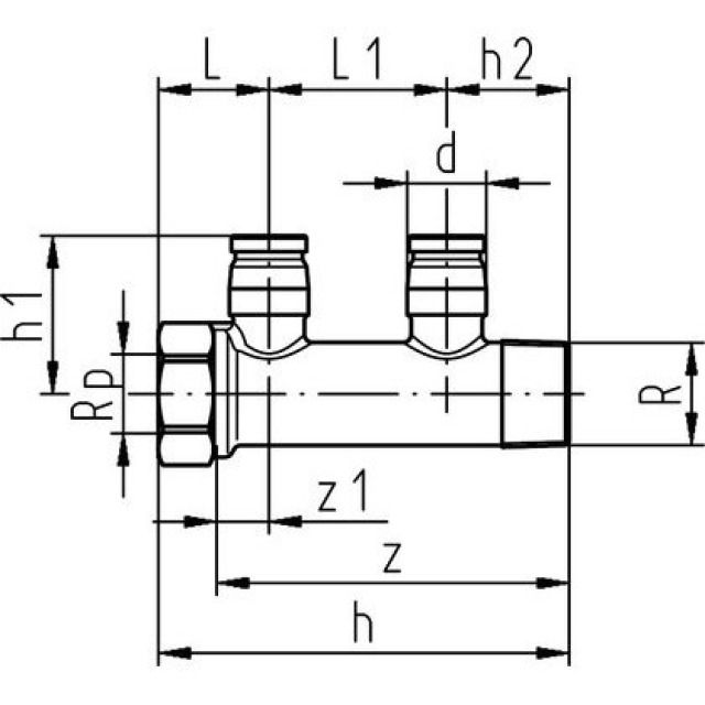
+GF+ iFIT, Modulo-distributore

Metallo duro senza piombo, con interasse 55 millimetri
Produttore GF Sistema iFit