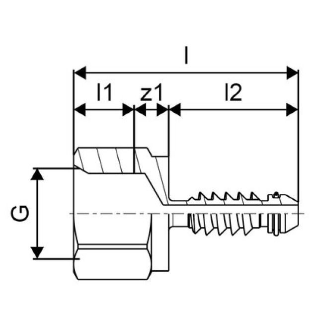
GF Uponor S-Press Tappo prova impianto

Modello:
• Corpo del raccordo in ottone
• Tappo riutilizzabile per la pressatura di tubi multistrato
Produttore GF Sistema S-Press