MPF-S Collare con terminale
maschio per flangia libera
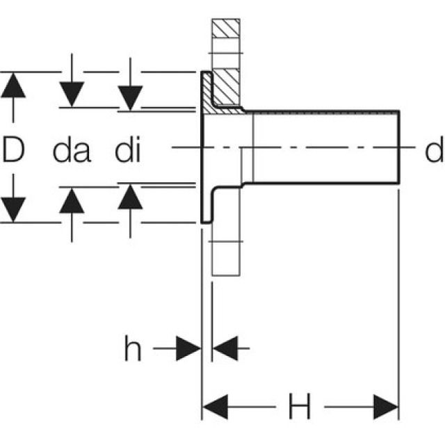
36144 PN 10/16: d42mm D8,8cm
La preghiamo di accedere per visualizzare il prezzo.
Disp. per il ritiro a Nänikon: 0 PZ
Articolo n294420Numero articolo del produttore36144
1 PZ = 0.591 kg
Descrizione del
Proprietà
• Privo di sostanze dannose per la vernice
• Adatto per flangia sciolta secondo EN 1092-1, flangia tipo 02
Dati tecnici
Materiale Acciaio CrNiMo 1.4401 (EN 10088)
• Privo di sostanze dannose per la vernice
• Adatto per flangia sciolta secondo EN 1092-1, flangia tipo 02
Dati tecnici
Materiale Acciaio CrNiMo 1.4401 (EN 10088)
Capitolati
- Produttore
- Geberit
- Sistema
- Mapress
- DN
- 40
- PN
- 10/16 bar
- dØ
- 42 mm
- D
- 8.8 cm
- H
- 13.5 cm
- Ø est.
- 47 mm
- diØ
- 39 mm
- h
- 0.6 cm