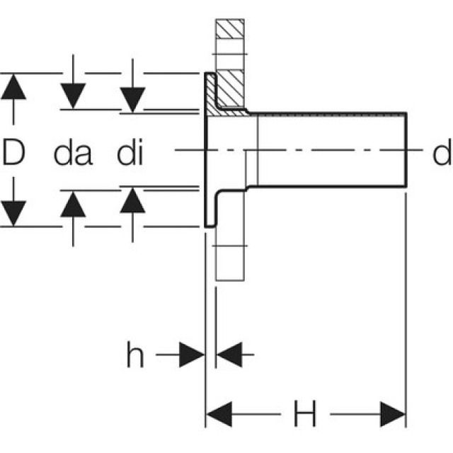
Geberit Mapress Colletto acciaio inox con terminale maschio, per flangia sciolta PN 10/16

Proprietà
• Privo di sostanze dannose per la vernice
• Adatto per flangia sciolta secondo EN 1092-1, flangia tipo 02
Dati tecnici
Materiale Acciaio CrNiMo 1.4401 (EN 10088)
Produttore Geberit Sistema Mapress